Loading...
Продукция
Релейная защита
Микропроцессорные устройства релейной защиты
Алтей
универсальная РЗА 0,4-220 кВ
Алтей-01
продвинутая РЗА 6-35 кВ
Лютик+
сбалансированная РЗА 6-20 кВ
Лютик
доступная РЗА 6-20 кВ
Дуговая защита
Блоки и комплекты защиты от дуговых замыканий
Лайм
базовая ЗДЗ
Лайм-2.0
оптимальная ЗДЗ
Лайм+
продвинутая ЗДЗ
Защита от ОЗЗ
Геум
устройство защиты от ОЗЗ
Геум+
шкафы защиты от ОЗЗ
Блоки питания
Пион-Т
блок питания от токовых цепей
Пион-К
конденсаторный блок питания
Шкафы РЗА
СОПТ
LAUREL
зарядное устройство
ИРИС-СОПТ
контроль параметров СОПТ и защита АБ
Репей
мониторинг АКБ
Системы оперативного постоянного тока
КИП
Разные виды контрольно измерительных приборов
ИРИС-О
однофазный
ИРИС-О2
однофазный
ИРИС-96
трёхфазный
ИРИС-120
трёхфазный
ИРИС-DIN
трехфазный с телемеханикой
Предиктивное будущее
Мелисса
защита от перегрева
Репей
мониторинг АКБ
Кактус
тепловизионное реле
Компоненты АСУ ЭТО и АСУ ТП
GARA
универсальное УСПД
ИРИС-DIN
трехфазный с телемеханикой
Гидра
разветвитель интерфейса RS-485
Гидра-ETH
5‑портовый неуправляемый гигабитный коммутатор
Реле и прочие устройства
Флокс-I
реле контроля тока
Флокс-U
реле контроля напряжения
Флокс
реле контроля ГЗ
Флокс-M
реле мигающего света
Флокс-Ф
фильтр сетевых помех
Компоненты для интерфейсов связи
Гидра
разветвитель интерфейса RS-485
Гидра-ETH
5‑портовый неуправляемый гигабитный коммутатор
Юкка
преобразователь интерфейсов USB — RS-485
Флокс-RS
защита RS-485
Флокс-ETH
защита интерфейса Ethernet
Индикация мнемосхемы
БЛИК
живая индикация мнемосхемы
Комплект центральной сигнализации ЦС+
Услуги
Работа под КЛЮЧ
Проектировщикам
Поддержка
Сервис
Документация
Программы
Все программы
KIWI
KIWI-MONITOR
TC TOOL
Драйверы
Конфигуратор ИРИС
Конфигуратор МЕЛИССА
Конфигуратор РЕПЕЙ
Конфигуратор КАКТУС
Конфигуратор GARA
Компания
О нас
Проекты
Партнёры
Отзывы
Блог
Обучающие курсы
Вакансии
Контакты
Отдел продаж:
+7 495 174 55 50
Тех поддержка:
8 800 555 25 11
Главная
//
Компания
//
Блог
//
Теория по РЗА
Блог
Поиск:
Опубликовано 26.03.2026 в
Теория по РЗА
Зарядно-подзарядное устройство LAUREL — большой шаг в развитии направления
Одним из важнейших элементов системы оперативного постоянного тока (СОПТ) является зарядно-подзарядное устройство (ЗПУ). Именно его рассмотрим в данной статье на примере LAUREL производства компании Микропроцессорные технологии.
Опубликовано 26.03.2026 в
Теория по РЗА
Блоки питания ПИОН-Т и ПИОН-К
Доброго времени суток от компании Микропроцессорные технологии! В наших обзорах продукции очередь дошла до направления «блоки питания» – неотъемлемого оборудования на энергообъекте. В чём их польза? И причём здесь Пион? Подробности ниже.
Опубликовано 26.03.2026 в
Теория по РЗА
ЗМН – защита минимального напряжения
Функция ЗМН расшифровывается как защита минимального напряжения, хотя скорее ее можно отнести к функциям автоматики, а не защиты.
Опубликовано 26.03.2026 в
Теория по РЗА
Цифровая релейная защита: преобразование Фурье
Для эффективной работы системы цифровой РЗА (цифровая релейная защита) необходимо быстро и точно измерять электрические параметры в защищаемой энергосистеме.
Опубликовано 26.03.2026 в
Теория по РЗА
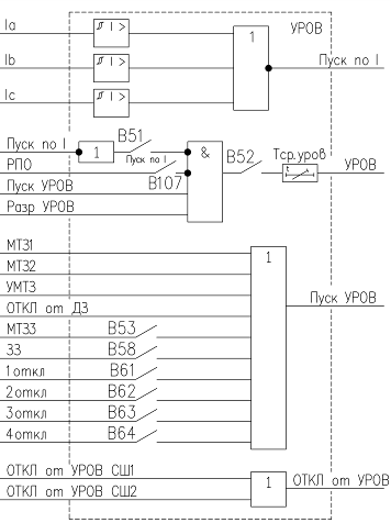
Устройство резервирования при отказе выключателей
Устройство резервирования при отказе выключателя (или выключателей) предназначено для ликвидации повреждения, сопровождающегося отказом выключателя.
Опубликовано 26.03.2026 в
Теория по РЗА
Моделирование РЗА. Введение.
В настоящее время моделирование РЗА с использованием персональных компьютеров играет важную неотъемлемую роль в различных сферах науки и техники.
Опубликовано 26.03.2026 в
Теория по РЗА
Моделирование РЗА. Ч.1
Данная статья расскажет о том, как при моделировании РЗА сохранить результаты расчета модели в файлы формата COMTRADE для дальнейшего воспроизведения на РЕТОМ-51 с целью выполнения дальнейших практических исследований цифровых устройств РЗА.
Опубликовано 26.03.2026 в
Теория по РЗА
Моделирование РЗА. Ч.2. Дискретное преобразование Фурье
В статье «Моделирование РЗА. Часть первая.» нам удалось записать файл в формате Comtrade, содержащий токи режима КЗ, воспроизведенного на тестовой модели энергосистемы в среде MATLAB Simulink.
Опубликовано 26.03.2026 в
Теория по РЗА
Сердце РЗА Алтей бьётся 216 миллионов раз в секунду!
Сегодня мы хотим познакомить вас с тем, что внутри нашего устройства РЗА Алтей!
Опубликовано 26.03.2026 в
Теория по РЗА
ДГР и защита от однофазных замыканий на землю — основа безопасности персонала
В данной статье мы рассмотрим причины необходимости применения совместной защиты: ДГР и защита от однофазных замыканий на землю. Для вашего удобства сформировали и подробно описали всё пунктах ниже!
Страницы:
1
2
3
4
5
Предыдущая
Следующая
Рубрики:
Дуговая защита
КИП
Общая информация
Полезные реле
Предиктивная диагностика
РЗА
Теория по РЗА
Шкафное оборудование